S64DB-12-135
  • S64DB-12-135 S64DB-12-135

S64DB-12-135

মডেল:S64DB-12-135

HCIC S64DB-12-135 হাইড্রোলিক সিলিন্ডার: প্রিমিয়াম, গ্লোবাল ইন্ডাস্ট্রিয়াল ক্রেতাদের জন্য কাস্টমাইজযোগ্য বিকল্প। নির্ভরযোগ্য স্পেক্স, স্টেডি পারফরম্যান্স, ফ্যাক্টরি-ডাইরেক্ট ডিল-নির্মাণ, খনি এবং কৃষি সংগ্রহের জন্য আদর্শ।

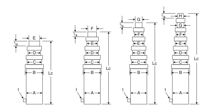
  • Number Stages:

    4
  • Nominal Stage OD:

    6
  • Stroke:

    135
  • Closed:

    47.19
  • Open:

    182.19
  • Pin:

    1.75
  • Width:

    8

অনুসন্ধান পাঠান

পণ্যের বর্ণনা

শিল্প সরঞ্জাম ক্রেতাদের জন্য. এটি HCIC S64DB-12-135 সিলিন্ডারের তথ্য। মূল চশমা, বিল্ড কোয়ালিটি, কোথায় ব্যবহার করতে হবে, কাস্টম পরিষেবা। সব ব্যবহারিক. ফ্লাফ নেই।


customizable hydraulic cylinders


parker multi-stage hydraulic cylinders


I. মূল স্পেসিক্স: সবচেয়ে ইন্সটল জব ফিট করে


HCIC S64DB-12-135 = স্ট্যান্ডার্ড ডিজাইন। বেশিরভাগ শিল্প মেশিনের জন্য কাজ করে। পাওয়ার স্থানান্তর, ইনস্টলেশন - কোন সমস্যা নেই।


• কাঠামোগত মাত্রা:বাইরের ব্যাস 6. 4 ধাপ। স্ট্রোক 135. বন্ধ দৈর্ঘ্য 47.19। বর্ধিত দৈর্ঘ্য 182.19। কমপ্যাক্ট। স্ট্যান্ডার্ড মেশিন মাউন্ট স্লট ফিট.

• মাউন্টিং সামঞ্জস্যতা:পিনের আকার 1.75 / 1.5। 8 / 2.69 প্রস্থের সাথে মেলে। ঢালাই, কবজা - উভয়ই কাজ করে। বেশিরভাগ মেশিনের শূন্য মোড প্রয়োজন।

• মৌলিক কর্মক্ষমতা:স্ট্যান্ডার্ড শিল্প সীল। নিয়মিত অবস্থায় নন-স্টপ চালায়। সাধারণ জলবাহী চাপ মান পূরণ করে।


heavy-duty hydraulic cylinders


২. বিল্ড কোয়ালিটি: নির্ভরযোগ্য, কোন ভাঙ্গন নেই


আমরা প্রতিটি পদক্ষেপ পরীক্ষা করি। কাঁচামাল থেকে শিপিং পর্যন্ত। কোন শর্টকাট নেই. শুধু সামঞ্জস্যপূর্ণ মান.


(1)। কাঁচামাল:ব্যারেল = 45# বিজোড় ইস্পাত পাইপ। পিস্টন রড = নিভে যাওয়া + ক্রোম-ধাতুপট্টাবৃত। পরিধান প্রতিরোধ করে, মরিচা প্রতিরোধ করে। নিয়মিত শিল্প ব্যবহারের জন্য ভাল।

(2)। প্রক্রিয়াকরণ এবং সমাবেশ:সিলিন্ডার ভিতরের প্রাচীর = honed মসৃণ. পিস্টন আটকে ছাড়া চলে। শিল্প সীল = কম তেল ফুটো।

(3)। গুণমান পরীক্ষা:প্রতিটি সিলিন্ডার 3টি পরীক্ষায় উত্তীর্ণ হয়। চাপ পরীক্ষা। স্ট্রোক পরীক্ষা। সীল পরীক্ষা। আমরা সমস্ত পরীক্ষার ডেটা সংরক্ষণ করি। শুধুমাত্র পাস = শিপ আউট।

dump hydraulic cylinder

III. অ্যাপ্লিকেশন পরিস্থিতি: সব ধরনের গিয়ারের জন্য কাজ করে


S64DB সিলিন্ডার অনেক শিল্প ক্ষেত্রে মাপসই. মেশিনের জন্য কঠিন শক্তি অংশ.


• নির্মাণ যন্ত্রপাতি:খননকারী, লোডার। বুম এবং বালতি ড্রাইভ ফিট করে। হ্যান্ডেল লিফট, টেলিস্কোপ, ঘোরান। দৈনন্দিন নির্মাণ কাজের জন্য ভাল।

• ধাতুবিদ্যা এবং খনির:চুল্লি সমন্বয়, পেষণকারী ফিড নিয়ন্ত্রণ. কঠিন পরিবেশে কাজ করে। মৌলিক ক্ষেত্রের প্রয়োজনীয়তা পূরণ করে।

• কৃষি যন্ত্রপাতি:বীজ, ফসল কাটার কারিগর। বীজের গভীরতা সামঞ্জস্য করে, শিরোনাম উত্তোলন করে। কৃষিকাজকে আরও দক্ষ করে তোলে।

• বিশেষ সরঞ্জাম:পরামিতি খামচি। এরিয়াল লিফট, আবর্জনা কমপ্যাক্টর ফিট করে। মৌলিক শক্তি সমর্থন — সম্পন্ন.


IV.FAQ

চশমা, সামঞ্জস্যতা, গুণমান এবং কাস্টমাইজেশন সহ HCIC S64DB-12-135 হাইড্রোলিক সিলিন্ডার সম্পর্কে আপনার প্রশ্নের ব্যবহারিক উত্তর।

📏 মূল বৈশিষ্ট্য এবং সামঞ্জস্য

প্রশ্ন: HCIC S64DB-12-135 সিলিন্ডার কি পরিবর্তন ছাড়াই আমার স্ট্যান্ডার্ড ইন্ডাস্ট্রিয়াল মেশিনে ফিট করবে?

উত্তরঃ একেবারেই। HCIC S64DB-12-135 হল একটি স্ট্যান্ডার্ড-ডিজাইন করা হাইড্রোলিক সিলিন্ডার যার কমপ্যাক্ট স্ট্রাকচারাল মাত্রা রয়েছে (বাইরের ব্যাস 6, বন্ধ দৈর্ঘ্য 47.19, বর্ধিত দৈর্ঘ্য 182.19) এবং সামঞ্জস্যপূর্ণ পিনের আকার (1.75 / 1.5) এবং প্রস্থ (9.6 / 8)। এটি বেশিরভাগ স্ট্যান্ডার্ড মেশিন মাউন্টিং স্লটের সাথে ফিট করে এবং ওয়েল্ড এবং কব্জা মাউন্টিং কাজ উভয়ই - বেশিরভাগ শিল্প মেশিনে পাওয়ার ট্রান্সফার বা অন্যান্য কাজের জন্য এটি ইনস্টল করার জন্য শূন্য মোডের প্রয়োজন হয়।

প্রশ্ন: HCIC S64DB-12-135 সিলিন্ডারের মূল কাঠামোগত এবং কর্মক্ষমতা স্পেসগুলি কী কী?

উত্তর: HCIC S64DB-12-135-এর 4টি পর্যায় রয়েছে, একটি 135-ইঞ্চি স্ট্রোক, বন্ধ দৈর্ঘ্য 47.19 ইঞ্চি এবং বর্ধিত দৈর্ঘ্য 182.19 ইঞ্চি। এটি স্ট্যান্ডার্ড শিল্প সীল ব্যবহার করে, নিয়মিত শিল্প পরিস্থিতিতে অবিরাম চালায় এবং সাধারণ জলবাহী চাপের মান পূরণ করে। এর কমপ্যাক্ট ডিজাইন এটিকে বেশিরভাগ শিল্প যন্ত্রপাতিতে টাইট মাউন্ট করার জায়গার জন্য আদর্শ করে তোলে।

প্রশ্ন: HCIC S64DB-12-135 সিলিন্ডারের জন্য কি মাউন্টিং বিকল্প পাওয়া যায়?

একটি: এই সিলিন্ডার দুটি সাধারণ শিল্প মাউন্ট পদ্ধতি সমর্থন করে: ঢালাই এবং hinging. এটি সামঞ্জস্যপূর্ণ পিনের আকার (1.75 এবং 1.5) সহ আসে এবং মানক মেশিনের প্রস্থ (8 এবং 2.69) এর সাথে মেলে, তাই আপনি আপনার সরঞ্জামের সাথে সবচেয়ে উপযুক্ত পদ্ধতি ব্যবহার করে এটি ইনস্টল করতে পারেন - বেশিরভাগ মেশিনের জন্য কোনও কাস্টম মাউন্টিং অ্যাডাপ্টারের প্রয়োজন নেই৷

প্রশ্ন: HCIC S64DB-12-135 সিলিন্ডার ক্রমাগত নন-স্টপ শিল্প ব্যবহার পরিচালনা করতে পারে?

উঃ হ্যাঁ। এটি স্ট্যান্ডার্ড ইন্ডাস্ট্রিয়াল সিল দিয়ে তৈরি এবং সাধারণ হাইড্রোলিক চাপের মান পূরণ করে, যা এটিকে নিয়মিত শিল্প পরিস্থিতিতে অবিরাম চলতে দেয়। সজ্জিত মসৃণ অভ্যন্তরীণ সিলিন্ডার প্রাচীর পিস্টনকে আটকে না রেখে নড়াচড়া নিশ্চিত করে এবং উচ্চ-মানের সামগ্রী পরিধান প্রতিরোধ করে – নির্মাণ, কৃষি বা ধাতব যন্ত্রপাতিতে দৈনন্দিন ক্রমাগত ব্যবহারের জন্য উপযুক্ত।

⚙️ গুণমান এবং অ্যাপ্লিকেশন পরিস্থিতি তৈরি করুন

প্রশ্ন: HCIC S64DB-12-135 সিলিন্ডার তৈরি করতে কোন উপকরণ ব্যবহার করা হয় এবং এটি কতটা টেকসই?

উত্তর: সিলিন্ডার ব্যারেল 45# সীমলেস স্টিলের পাইপ দিয়ে তৈরি, এবং পিস্টন রডটি নিভে এবং ক্রোম-প্লেটেড – এই কম্বো পরিধান এবং মরিচা প্রতিরোধ করে, নিয়মিত শিল্প ব্যবহারের জন্য উপযুক্ত। পিস্টন আটকে যাওয়া রোধ করার জন্য ভিতরের দেয়ালটি মসৃণ করা হয়, এবং শিল্প সীলগুলি তেলের ফুটো কমায় - যার সবগুলিই দীর্ঘস্থায়ী, নির্ভরযোগ্য কর্মক্ষমতা যোগ করে যাতে কোনও অপ্রত্যাশিত ভাঙ্গন হয় না।

প্রশ্ন: HCIC S64DB-12-135 সিলিন্ডার চালানের আগে কোন মানের পরীক্ষা পাস করে?

উত্তর: প্রতিটি HCIC S64DB-12-135 সিলিন্ডার পাঠানোর আগে 3টি কঠোর পরীক্ষায় উত্তীর্ণ হয়: একটি চাপ পরীক্ষা (হাইড্রোলিক মান পূরণ করতে), একটি স্ট্রোক পরীক্ষা (মসৃণ চলাচল নিশ্চিত করতে), এবং একটি সীল পরীক্ষা (তেল ফুটো প্রতিরোধ করার জন্য)। আমরা ভবিষ্যতের রেফারেন্সের জন্য সমস্ত পরীক্ষার ডেটা সংরক্ষণ করি, এবং আমরা কখনই এমন একটি সিলিন্ডার পাঠাই না যা তিনটিই পাস করে না - কোনও শর্টকাট নেই, শুধুমাত্র সামঞ্জস্যপূর্ণ গুণমান।

প্রশ্ন: HCIC S64DB-12-135 সিলিন্ডার কোন শিল্পক্ষেত্র এবং যন্ত্রপাতির জন্য উপযুক্ত?

উত্তর: এই সিলিন্ডারটি বহুমুখী এবং অনেক শিল্প ক্ষেত্রে ফিট করে। এটি নির্মাণ যন্ত্রপাতি (খননকারী, বুম/বালতি ড্রাইভের জন্য লোডার), ধাতুবিদ্যা এবং খনির সরঞ্জাম (ফার্নেস সামঞ্জস্য, ক্রাশার ফিড নিয়ন্ত্রণ), কৃষি যন্ত্রপাতি (সিডার, বীজের গভীরতা সমন্বয়ের জন্য হার্ভেস্টার) এবং বিশেষ সরঞ্জাম (এয়ারিয়াল লিফট, আবর্জনা কমপ্যাক্টর) এর জন্য কাজ করে – এটি সব ধরনের কায়ার পাওয়ারের জন্য একটি কঠিন অংশ।

প্রশ্ন: HCIC S64DB-12-135 সিলিন্ডার কি কঠিন খনির বা ধাতব পরিবেশে ভাল পারফর্ম করতে পারে?

উঃ হ্যাঁ। নিভে যাওয়া এবং ক্রোম-প্লেটেড পিস্টন রড মরিচা এবং পরিধান প্রতিরোধ করে, এবং 45# সীমলেস স্টিলের ব্যারেল খনির এবং ধাতব সাইটগুলির কঠোর পরিস্থিতি পরিচালনা করার জন্য যথেষ্ট শক্ত। এটি ফার্নেস সামঞ্জস্য এবং ক্রাশার ফিড নিয়ন্ত্রণের জন্য ডিজাইন করা হয়েছে এবং এটি মৌলিক ক্ষেত্রের প্রয়োজনীয়তাগুলি পূরণ করে – যখন আপনার এটি সবচেয়ে বেশি প্রয়োজন তখন এটি ব্যর্থ হওয়ার বিষয়ে আপনাকে চিন্তা করতে হবে না।

🛡️ কাস্টমাইজেশন এবং সহযোগিতার সুবিধা

প্রশ্ন: আমি কি আমার বিশেষ সরঞ্জামের চাহিদা মেটাতে HCIC S64DB-12-135 সিলিন্ডার কাস্টমাইজ করতে পারি?

উত্তরঃ একেবারেই। যদি স্ট্যান্ডার্ড HCIC S64DB-12-135 আপনার মেশিনের জন্য একেবারে সঠিক না হয়, আমরা কাস্টম হাইড্রোলিক সমাধান অফার করি। আমরা আপনার নির্দিষ্ট প্রয়োজনের উপর ভিত্তি করে কাঠামো, স্ট্রোক, মাউন্টিং স্টাইল এবং সিলগুলি সামঞ্জস্য করতে পারি - আপনার মেশিনের পরিবেশ, শক্তির চাহিদা এবং মাউন্ট করার জায়গা নিশ্চিত করতে আমাদের প্রযুক্তি দলের সাথে 1-অন-1 কাজ করুন এবং আমরা আপনার জন্য উপযোগী একটি সমাধান তৈরি করব।

প্রশ্ন: HCIC S64DB-12-135 সিলিন্ডারের একটি কাস্টম সংস্করণ পাওয়ার প্রক্রিয়া কী?

উত্তর: কাস্টম প্রক্রিয়াটি সহজ: 1) প্রথমত, আমাদের কারিগরি দল আপনার প্রয়োজন নিশ্চিত করতে এবং একটি স্পষ্ট চাহিদার নথি তৈরি করতে আপনার সাথে 1-অন-1 চ্যাট করে। 2) তারপর, আমরা সিলিন্ডারের চশমা সামঞ্জস্য করি এবং নিশ্চিত করতে আপনাকে অঙ্কন পাঠাই। 3) একবার আপনি অনুমোদন করলে, আমরা এটি তৈরি করি (প্রথমে আসলে, আগে পরিবেশন করা) এবং আপনার পছন্দের পদ্ধতির মাধ্যমে (বিশ্বব্যাপী ক্লায়েন্টদের জন্য সমুদ্র/এয়ার মালবাহী) এটি প্রেরণ করি। 4) অবশেষে, আমরা ইনস্টলেশন এবং ব্যবহারের জন্য বিক্রয়োত্তর সমর্থন প্রদান করি।

প্রশ্ন: আপনার কারখানা থেকে সরাসরি HCIC S64DB-12-135 সিলিন্ডার অর্ডার করার সময় আমি কী সুবিধা পাব?

উত্তর: আমাদের HCIC ফ্যাক্টরি থেকে সরাসরি অর্ডার করার দুটি বড় সুবিধা রয়েছে: প্রথমত, দামের সুবিধা – কোনো মধ্যস্থতাকারী নেই, তাই আপনি খরচ বাঁচাতে পারবেন এবং বাল্ক অর্ডারে আরও ভালো ছাড় পাবেন। দ্বিতীয়ত, বিদেশী বাণিজ্য সহায়তা - আমরা বহু-ভাষা নথি, কাস্টমস কোড টিপস এবং ঘোষণাপত্রে সহায়তা প্রদান করি, তাই আন্তঃসীমান্ত কেনাকাটা মসৃণ। আমরা অ-মানবিক ক্ষতির জন্য মানক ওয়ারেন্টি এবং বিনামূল্যে মেরামত/যন্ত্রাংশ অফার করি।




V. কাস্টম পরিষেবা: সিলিন্ডার আপনার উপায় করুন


বিশেষ প্রয়োজন? আমরা একটি সহজ প্রক্রিয়া আছে. আপনার জন্য কাস্টম জলবাহী সমাধান.


(1)। কথা বলতে হবে:আমাদের প্রযুক্তি দল 1-অন-1 চ্যাট করে। আপনার মেশিনের পরিবেশ, বিদ্যুতের চাহিদা, মাউন্টিং স্পেস নিশ্চিত করুন। আপনি একটি পরিষ্কার প্রয়োজন ডক দিন.

(2)। নকশা পর্যায়:গঠন, স্ট্রোক, মাউন্ট, সীল সমন্বয়. আপনার চাহিদার উপর ভিত্তি করে. নিশ্চিত করতে আপনাকে অঙ্কন পাঠান।

(3)। উত্পাদন এবং বিতরণ:কাস্টম অর্ডার = আগে আসা, আগে পরিবেশিত। নিয়মিত কাস্টম মডেল = স্ট্যান্ডার্ড লিড টাইম। বিশ্বব্যাপী ক্লায়েন্টদের জন্য সমুদ্র/এয়ার মালবাহী।

(4)। বিক্রয়োত্তর সমর্থন:স্ট্যান্ডার্ড ওয়ারেন্টি। অ-মানব ক্ষতি = বিনামূল্যে মেরামত/যন্ত্রাংশ। টেক হটলাইন = যেকোনো সময় প্রশ্ন ইনস্টল/ব্যবহার করুন।


double-acting telescopic hydraulic cylinders

VI. সহযোগিতার সুবিধা: সহজ গ্লোবাল ডিল


HCIC = পেশাদার জলবাহী সিলিন্ডার কারখানা। বিশ্বব্যাপী ক্লায়েন্টদের সাথে কাজ করা ভাল।


• মূল্যের সুবিধা:সরাসরি কারখানা। কোনো মধ্যস্বত্বভোগী নেই। খরচ বাঁচান। বাল্ক অর্ডার = ভাল ডিসকাউন্ট।

• বৈদেশিক বাণিজ্য সহায়তা:বহু-ভাষা ডক্স। কাস্টমস কোড টিপস। ঘোষণাপত্র দিয়ে সাহায্য করুন। ক্রস-বর্ডার ক্রয় = মসৃণ।


VII. আমাদের সাথে যোগাযোগ করুন:

HCIC একটি পেশাদার হাইড্রোলিক প্রস্তুতকারক, প্রধানত হাইড্রোলিক সিস্টেম ডিজাইন, উত্পাদন, ইনস্টলেশন, রূপান্তর, কমিশনিং এবং হাইড্রোলিক উপাদান ব্র্যান্ড বিক্রয় এবং প্রযুক্তিগত পরিষেবাগুলিতে নিযুক্ত। আমরা আশা করি যে আমাদের পণ্য আপনার খরচ বাঁচাতে এবং আপনার গুণমান উন্নত করতে সাহায্য করতে পারে।আরও বিশদ বিবরণের জন্য অনুগ্রহ করে আমাদের ইমেল করুন "davidsong@mail.huachen.cc" বা গুগল অনুসন্ধান "HCIC হাইড্রোলিক"


হট ট্যাগ: S64DB-12-135, প্রস্তুতকারক, সরবরাহকারী, পাইকারি, কাস্টমাইজড, স্টকে, প্রত্যাখ্যান করা ট্রাক, চীন, তুষার লাঙ্গল
X
আমরা আপনাকে একটি ভাল ব্রাউজিং অভিজ্ঞতা দিতে, সাইটের ট্র্যাফিক বিশ্লেষণ করতে এবং সামগ্রী ব্যক্তিগতকৃত করতে কুকিজ ব্যবহার করি। এই সাইটটি ব্যবহার করে, আপনি আমাদের কুকিজ ব্যবহারে সম্মত হন। গোপনীয়তা নীতি
প্রত্যাখ্যান করুন গ্রহণ করুন